詢價車 (
0
)
關於我們
產品介紹
Mahr 量測儀器
卡尺系列
防水電子卡尺16 EWR
多功能型電子卡尺 16 EWRV
特殊電子卡尺 30 EWN
標準型電子卡尺 16 ER
碳纖維電子卡尺 18 ESA
雙角卡尺 18 NA
雙鉤深度卡尺 30 EWR-D / 30 ND
大型電子卡尺18EWR
高度規系列
高精度高度量測儀 817 CLT
高度儀 816 CL
高度規814 SR
分厘卡系列
電子分厘卡 40 ER
電子分厘卡 40 EWR
比測型分厘卡 40 TS
比測型分厘卡 40 T
快速比測分厘卡 40 F / FC
機械三點式分厘卡 44A
電子三點式分厘卡 44 EWR /44EWRS
比測電子三點式分厘卡 844 A
指示型量測儀器系列
指示型塞規 844D
指示型塞規(標準型)測頭:844Dk
指示型塞規(盲孔型)測頭:844 Dks
指示型塞規(通孔型)測頭:844 Dkr
自訂中心內徑量儀 (小孔量規)
測缸規(不膨脹握把) 844 N
特殊型測缸規 844NR
盲孔型測缸規 844 NB
指針、比測、槓桿量錶系列
比測錶1002 - 1050系列
大型比測錶
精密槓桿錶
指示量錶803a-805a系列
指針量錶810A - 810AZ
指針量錶810AU - 810 AG
偏心檢查器
偏心檢查器 818
量測台座系列
小型量測台座820 FC / 820 FG /820 N
小型量測台座 824 NT / 824 FT / 824 GT
精密量測儀器系列
表面粗度儀 M300C
表面粗度儀 M400
精密真圓儀
觸控式表面粗度儀PS10
附表卡規
附表卡規 840F/ 840FC
台座式附表卡規 852TS
附表卡規 840FH/ 840FG
萬用型量測儀
萬用型量測儀
電子量表1086R
電子量表
Zerust 氣化防銹系列
氣化性防銹袋
氣化性防銹膜、袋
氣化性防銹牛皮紙
淋膜、塗抹防銹紙
氣化性防銹包、盒
VCI 防銹包、盒
氣化性防銹劑
水溶性環保型防銹液
除銹劑
除銹劑 620 - RR
除銹劑 3048
除銹劑 CM - 888
速乾性氣化防銹油
速乾性氣化防銹油
ECE 磁性工具
開關式永久磁性吊盤 ELM 系列
磁性座系列
精密微調磁性座
磁性工具 ECE - 510 / 507
磁性工具 ECE - 212 / 208
磁性工具 ECE - 100 / 150
磁性工具 EMH - S / R / H / F
磁性工具 ELH - 10S / 6 S
Bilz 防震墊
機械防震墊 B 系列
機械防震墊 PK系列
機械防震墊 BN系列
機械防震墊 FAEBI
機械防震墊 BiAir 系列
義大利DEMM量測儀器
量具系列
內外徑快速量測儀
內溝槽卡尺
JFA 花崗岩量測系列
JFA 花崗岩真直規
JFA花崗岩方形規
JFA花崗岩直角規
其他量測儀器工具
GIROD 槓桿錶
GIROD 標準型
GIROD 垂直型
GIROD 側面型
中心找尋規
美國中心找尋規
Z軸設定器
Z軸設定器
最新消息
表面粗度儀新優惠
2024台中工具機展
Mahr量測儀器
KIPP量測儀器
電子型錄
聯絡我們
Home
產品介紹
Mahr 量測儀器
指針、比測、槓桿量錶系列
指示量錶803a-805a系列
產品介紹
Mahr 量測儀器
卡尺系列
防水電子卡尺16 EWR
多功能型電子卡尺 16 EWRV
特殊電子卡尺 30 EWN
標準型電子卡尺 16 ER
碳纖維電子卡尺 18 ESA
雙角卡尺 18 NA
雙鉤深度卡尺 30 EWR-D / 30 ND
大型電子卡尺18EWR
高度規系列
高精度高度量測儀 817 CLT
高度儀 816 CL
高度規814 SR
分厘卡系列
電子分厘卡 40 ER
電子分厘卡 40 EWR
比測型分厘卡 40 TS
比測型分厘卡 40 T
快速比測分厘卡 40 F / FC
機械三點式分厘卡 44A
電子三點式分厘卡 44 EWR /44EWRS
比測電子三點式分厘卡 844 A
指示型量測儀器系列
指示型塞規 844D
指示型塞規(標準型)測頭:844Dk
指示型塞規(盲孔型)測頭:844 Dks
指示型塞規(通孔型)測頭:844 Dkr
自訂中心內徑量儀 (小孔量規)
測缸規(不膨脹握把) 844 N
特殊型測缸規 844NR
盲孔型測缸規 844 NB
指針、比測、槓桿量錶系列
比測錶1002 - 1050系列
大型比測錶
精密槓桿錶
指示量錶803a-805a系列
指針量錶810A - 810AZ
指針量錶810AU - 810 AG
偏心檢查器
偏心檢查器 818
量測台座系列
小型量測台座820 FC / 820 FG /820 N
小型量測台座 824 NT / 824 FT / 824 GT
精密量測儀器系列
表面粗度儀 M300C
表面粗度儀 M400
精密真圓儀
觸控式表面粗度儀PS10
附表卡規
附表卡規 840F/ 840FC
台座式附表卡規 852TS
附表卡規 840FH/ 840FG
萬用型量測儀
萬用型量測儀
電子量表1086R
電子量表
Zerust 氣化防銹系列
氣化性防銹袋
氣化性防銹膜、袋
氣化性防銹牛皮紙
淋膜、塗抹防銹紙
氣化性防銹包、盒
VCI 防銹包、盒
氣化性防銹劑
水溶性環保型防銹液
除銹劑
除銹劑 620 - RR
除銹劑 3048
除銹劑 CM - 888
速乾性氣化防銹油
速乾性氣化防銹油
ECE 磁性工具
開關式永久磁性吊盤 ELM 系列
磁性座系列
精密微調磁性座
磁性工具 ECE - 510 / 507
磁性工具 ECE - 212 / 208
磁性工具 ECE - 100 / 150
磁性工具 EMH - S / R / H / F
磁性工具 ELH - 10S / 6 S
Bilz 防震墊
機械防震墊 B 系列
機械防震墊 PK系列
機械防震墊 BN系列
機械防震墊 FAEBI
機械防震墊 BiAir 系列
義大利DEMM量測儀器
量具系列
內外徑快速量測儀
內溝槽卡尺
JFA 花崗岩量測系列
JFA 花崗岩真直規
JFA花崗岩方形規
JFA花崗岩直角規
其他量測儀器工具
GIROD 槓桿錶
GIROD 標準型
GIROD 垂直型
GIROD 側面型
中心找尋規
美國中心找尋規
Z軸設定器
Z軸設定器
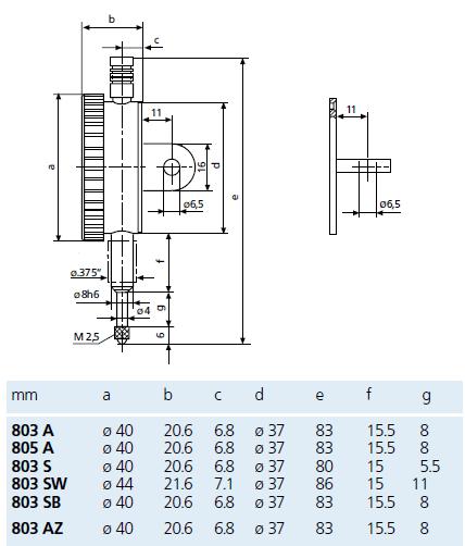
指示量錶803a-805a系列
型號 :
803A / 803S / 803SW / 803SB / 803AZ / 805A
數量 :
加入詢價車
產品敘述
相關產品
精密槓桿錶
型號 : 800 系列
加入詢價車
大型比測錶
型號 : 1000 A / 1000 B / 1000 Z
加入詢價車
指針量錶810A - 810AZ
型號 : 810A / 810AT / 810S / 810SW / 810SB / 810SM / 810SRM / 810AZ
加入詢價車
比測錶1002 - 1050系列
型號 : 1002 / 1003 / 1003 XL / 1004 / 1010 / 1050
加入詢價車
指針量錶810AU - 810 AG
型號 : 810AU / 810AX / 810V / 810AG
加入詢價車
關於我們
產品介紹
最新消息
電子型錄
聯絡我們